
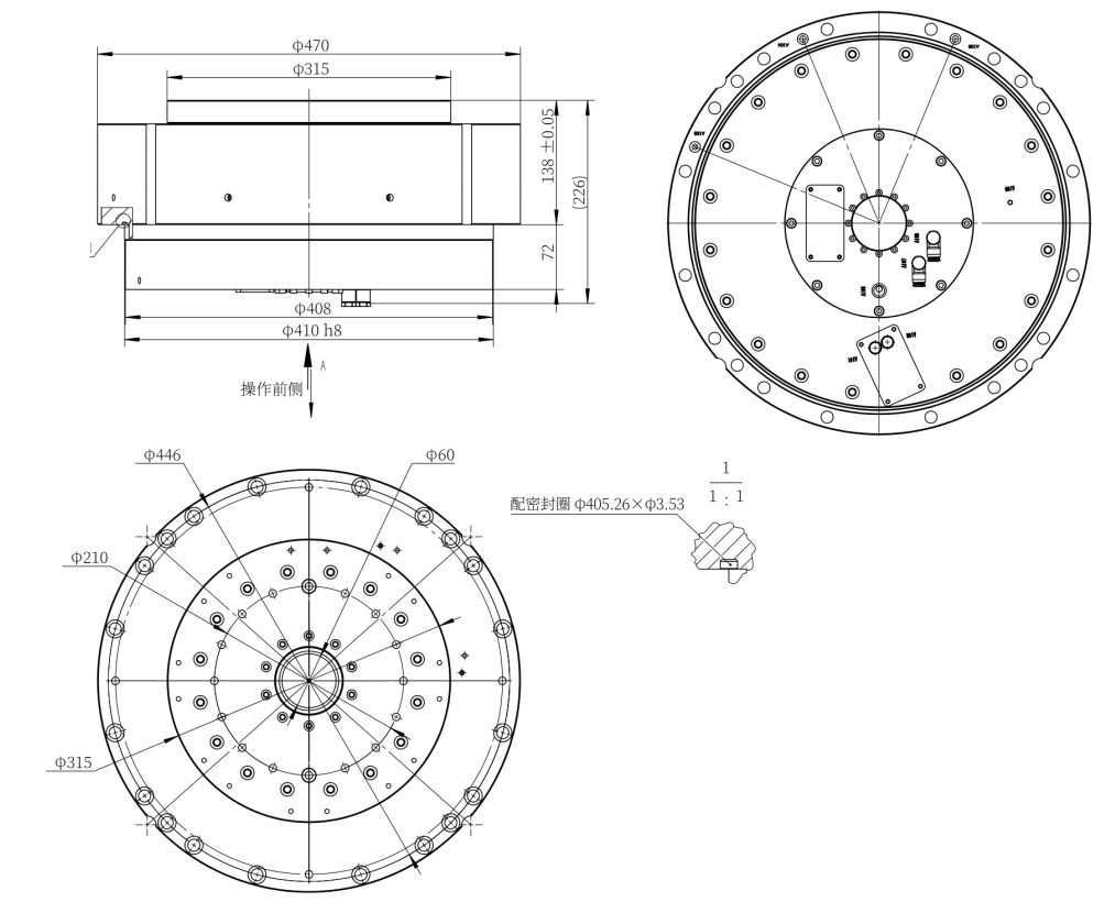
| Parameter Table | ||
| Table diameter | 315mm | |
| Table load bearing | 600kg | |
| Maximum speed | 60rpm | |
| Rated power | 3.7kW | |
| Rated torque | 353Nm | |
| Maximum torque | 530Nm | |
| Rotation range | nx360° | |
| Tightening torque | 2000Nm | |
| Hydraulic clamping working pressure | 60bar | |
| positioning accuracy | 8"VDI3441 | |
| Repetitive positioning accuracy | 4"VDI3441 | |
| Total weight | 200kg | |


