
| Parameter Table | ||
| Configuration 1 | Configuration 2 | |
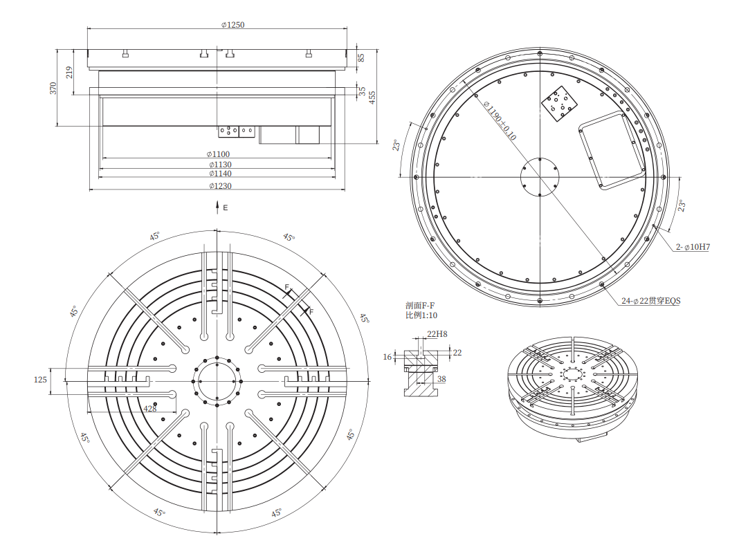
| Table diameter | 1250mm | |
| Table load bearing | 2000kg | |
| Rated power | 17.7kW | 25.1kw |
| Rated torque | 6000Nm | |
| Tightening torque | 10000Nm/60bar | |
| Rated speed | 60rpm | |
| Rated current | 197A | 52A |
| Maximum speed | 300rpm | 60rpm |
| positioning accuracy | 8"VDI3441 | |
| Repetitive positioning accuracy | 4"VDI3441 | |
| Cooling power | 8kW 15L/min 水冷 | |
| Total weight | 2245kg | |


